תפריט סגור

התקנת מנגנון מרים חלונות ביונדאי גטס GLF 2006 דור 1

הרכב: יונדאי גטס 2006 ידנית דור ראשון GLF מנוע 1.3 G4EA

המנגנון יסגור עבורנו את החלונות כשנלחץ על נעילת הרכב בשלט. הוא מתחיל לפעול ברגע שלוחצים על השלט ומעלה כל חלון בתורו. כלומר כשחלון אחד מסיים לעלות, השני מתחיל וכך הלאה.
אמנם המנגנון הותקן (לא על ידי) בסוף 2018, אבל אף פעם לא מאוחר למדריך.
בגטס שלי יש 2 חלונות חשמליים, אך ההתקנה כמעט זהה לרכב עם 4 חלונות חשמליים ולמעשה נוסף רק שלב אחד שהוא חיבור החלונות האחוריים למערכת (מאוד קל כי החיבור שלהם זהה לחיבור של החלונות הקדמיים כשרק צבע החוטים משתנה, נגיע לזה בהמשך)
בנוסף, המנגנון הזה עשוי להתאים להרבה רכבים אבל לא לכולם. עליכם לוודא לפני הרכישה וההתקנה שלרכב שלכם יש את כל החוטים שהמנגנון צריך להתחבר אליהם, כמו שמתואר במדריך. לכן כדאי שתקראו אותו לפני ותעשו את כל העבודה המקדימה של מציאת החוטים המתוארת בהמשך.
זהו מרים החלונות מאלי אקספרס:
https://www.aliexpress.com/item/32827511422.html
אם הקישור כבר לא זמין, המוצר נקרא car window closer וככה הוא נראה (חשוב שיהיה בעל אותה דיאגרמה)

כלים: חושף חוטים, מלחם, בדיל, איזולירבנד, טסטר, מברג פיליפס, מברג שטוח, מטר כבל רב גידי לא משנה איזה

1. פירוק דיפון דלת הנהג (מי שלא צריך יכול לעבור ישר לפרק 2- ההתקנה)

נוציא את חתיכת הפלסטיק שמאחורי הידית שמכוונת את מראת צד שמאל של הנהג

נעבור לפירוק הידית של הדלת. נוציא את הבורג, נמשוך את מסגרת הפלסטיק תוך כדי הזזת כפתור הנעילה לנעילת הרכב, נוציא מווי הברזל את הקליפסים בעזרת מברג שטוח, נרים כלפי מעלה את הווים ונוציא אותם ממקומם.

נוציא עוד בורג שנמצא בתוך התא הקטן שבדלת, לאחר שנפתח אותו נרים את הפלסטיק בכוח וננתק את הקונקטור ממנגנון הפיקוד של החלונות

נוציא את 4 הברגים הנותרים שתופסים את דיפון הדלת. לאחר מכן נגשש עם היד בחלק התחתון של הדיפון עד שנרגיש שקע קטן (בתמונה מוקף בירוק), נתפוס אותו ונמשוך אלינו. זה ישחרר את הדיפון מהקליפסים שתופסים אותו, ולאחר מכן נוכל להוריד את כל הדיפון בעזרת תפיסתו משני הצדדים ומשיכתו כלפי מעלה.


2. ההתקנה

אל הדלת דבוק בעזרת דבק דמוי פלסטלינה בשם בוסטיק (רב פעמי), ניילון מגן מפני רטיבות. נקלף בעדינות את החלק העליון של הניילון, בזהירות שלא לקרוע אותו. עכשיו מתחיל המאני טיים 🙂

נתחיל בחיפוש החוט שאחראי על נעילת הדלתות כשלוחצים על נעילת הרכב השלט (בעזרת חוט זה מרים החלונות שלנו ידע מתי לחצנו על נעילת הרכב וירים את החלונות). בנוסף נצטרך לגלות (הסבר בהמשך) האם בעת לחיצה על השלט הוא מעביר פלוס או מינוס, זה חשוב להמשך ההתקנה.
כאן כדאי להבהיר שאני לא יודע איך זה עובד ברכבים אחרים- איפה החוט נמצא, האם יש יותר מחוט אחד כזה, האם יש בכלל חוט כזה.. בדגמי הגטס לפחות זה בנוי ככה. גם באימפרזה 2009 שלי זה בנוי ככה.
נמשיך. צריך לחפש חוט שעובר מהדלת אל תא הנהג דרך הצינור המקשר, ושלא מגיע מהרמקול כמובן או מהקונקטור של פקד החלונות. למה? כי בתא הנהג (לפחות ברכבים שברשותי), באזור קופסת הפיוזים, נמצא מנגנון הנעילה של הרכב. החוט שאנו מחפשים (שמעביר את פקודת הנעילה) חייב מן הסתם להיות מחובר למנגנון הזה כי המנגנון הוא זה שמפעיל את החוט.
הנה תמונות של המעקב אחרי החוט אצלי ברכב (המערכת כבר מותקנת לצערי, אבל די פשוט להבין את ההיגיון).

אחרי שהבנו איזה חוטים אנחנו רוצים לבדוק, נתחיל במלאכת החשיפה והבדיקה. ככה נראה חוט חשוף (צריך להגדיל כדי לראות):

הסבר קטן: החוט שאחראי על נעילת הדלתות מעביר או פלוס או מינוס (בכל רכב זה אחרת) באופן קבוע, אך בעת לחיצה על כפתור הנעילה בשלט הוא משנה קוטביות לשניה ומעביר מתח נגדי (לדוגמה אם העביר קבוע מינוס, בלחיצה על השלט הוא יעביר את ההפך שזה פלוס). לכן נצטרך לעבור פעמיים על כל חוט עם הטסטר: בפעם הראשונה נבדוק פלוס ובפעם השניה נבדוק מינוס.

איך בודקים פלוס? מחברים את התנין של הטסטר לכל מתכת שנוגעת בשלדה (השלדה של הרכב היא מינוס קבוע), חושפים מעט מהחוט שרוצים לבדוק, נוגעים בו עם קצה הטסטר ולוחצים על הנעילה בשלט.
אם האור בטסטר נדלק לשבריר שניה כשלחצנו על השלט, מעולה. מצאנו את חוט הנעילה ואנחנו יודעים שהוא מעביר פלוס.
אם האור בטסטר נדלק עוד לפני שלחצנו על הנעילה בשלט, והלחיצה על השלט כיבתה אותו לשבריר שניה, גם טוב. מצאנו את חוט הנעילה ואנחנו יודעים שהוא כמעט בוודאות מעביר מינוס, נעשה לו בדיקת מינוס כדי להיות בטוחים
איך בודקים מינוס? אני לקחתי כבל התנעה, חיברתי אותו לפלוס של המצבר והבאתי אותו עד אלי. ככה יהיה לי מקור פלוס קבוע. צריך להיזהר מאוד (!!!!!) שלא יגעו בו בטעות חוטים אז תשימו אותו במקום בטוח. עכשיו מחברים אליו את התנין של הטסטר, שמים את קצה הטסטר על החלק החשוף בחוט ולוחצים על הנעילה בשלט.
אם האור בטסטר נדלק לשבריר שניה כשלחצנו על השלט, מעולה. מצאנו את חוט הנעילה ואנחנו יודעים שהוא מעביר מינוס.
אם האור בטסטר נדלק עוד לפני שלחצנו על הנעילה בשלט, והלחיצה על השלט כיבתה אותו לשבריר שניה, גם טוב. מצאנו את חוט הנעילה ואנחנו יודעים שהוא כמעט בוודאות מעביר פלוס. נעשה לו בדיקת פלוס כדי להיות בטוחים
בגדול לא חייבים לבדוק גם פלוס וגם מינוס- אפשר להסתפק בבדיקה אחת כי היא תשלול את השניה (אם לא עובר פלוס אז מן הסתם עובר מינוס). אבל מומלץ לבצע את שתי הבדיקות כדי שנהיה בטוחים בעצמנו

תמונות להמחשה (השתמשתי בחוט הפתיחה לצילום התמונות, סלחו לי)
בדיקת פלוס. קצת קשה לראות אך נורית הביקורת בטסטר דולקת בירוק, זה קרה לשבריר שניה כשלחצתי על כפתור הנעילה בשלט:

בדיקת מינוס. ניתן לראות שהחוט מעביר זרם קבוע מינוס שמדליק אור אדום (ככה זה אצלי בטסטר). כשלחצתי על כפתור הנעילה בשלט, האור האדום כבה לשבריר שניה (כי עבר בו פלוס, זה שינוי הקוטביות שדיברנו עליו מקודם):

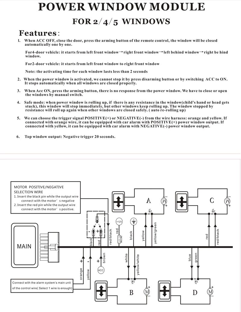
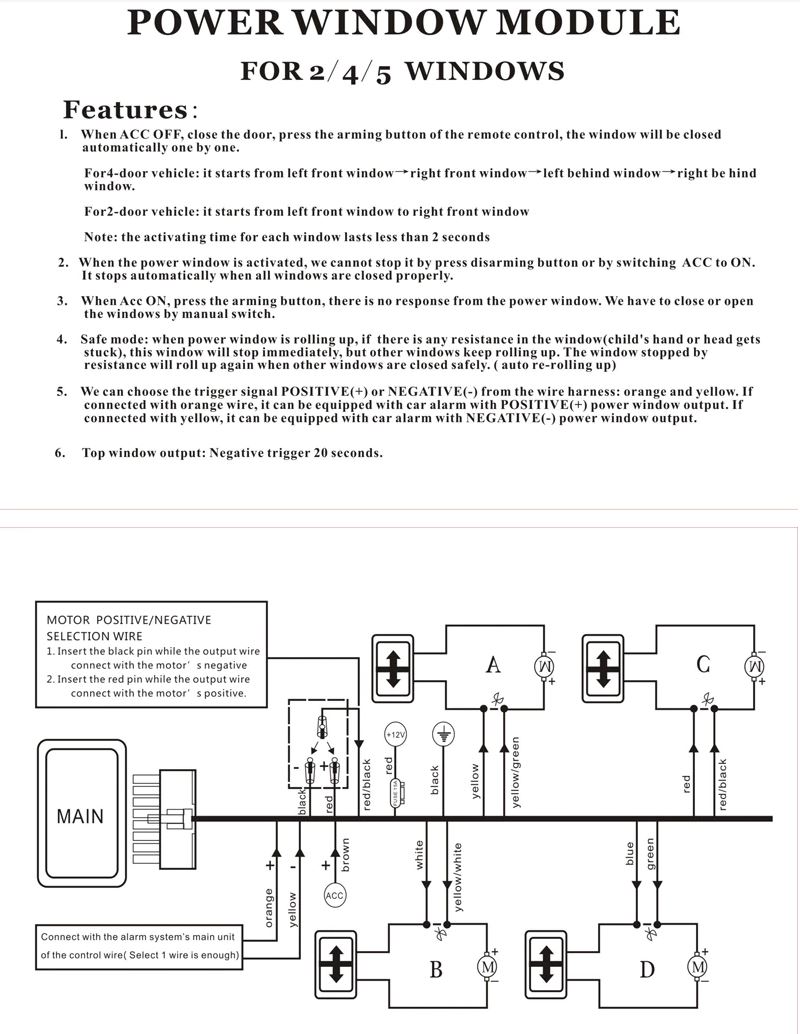
חוט הנעילה בידינו. נמשיך. אל החלק שחשפנו בחוט הנעילה נחבר את חוט הפיקוד המתאים מהמנגנון: כתום אם חוט הנעילה מעביר פלוס, צהוב אם מינוס (שימו לב להשתמש בחוט הצהוב שנמצא ליד החוט הכתום, כי יש שני חוטים צהובים במנגנון)
במקרה שלי חוט הנעילה מעביר פלוס אז חיברתי אליו את החוט הכתום. שימו לב לבודד את החוט שלא השתמשתם בו (הצהוב במקרה שלי), שלא יהיו חוטי חשמל חשופים.

ניגש לקונקטור של לוח הפיקוד של הנהג ונחבר אותו חזרה

כמו מקודם, נצטרך למצוא בעזרת טסטר איזה חוט עושה מה. חוץ משני חוטים שתמיד עושים אותו דבר (אדום מעביר פלוס קבוע ושחור מינוס קבוע, זה החשמל של המנגנון), נצטרך לגלות את החוט שאחראי על העלאת חלון הנהג ואת החוט שאחראי על העלאת חלון הנוסע (ולמי שיש חלונות חשמל מאחורה- גם חוט העלאת חלון נוסע ימני וחוט העלאת חלון נוסע שמאלי). חוטים אלו מעבירים פלוס. לכן נחבר את התנין של הטסטר למינוס מהשלדה ואת קצה הטסטר נתקע בתוך הקונקטור במקביל לכניסה של החוט ככה שיגע בטבעת המתכת שמקיפה אותו כמו שרואים בתמונה, מסומן בחץ אדום. עכשיו נלחץ על העלאת חלון מסויים. נדלק הטסטר? מעולה. נרשום בצד את צבע החוט ואיזה חלון הוא מעלה. לא נדלק הטסטר? לא נורא, נעבור לאחרים

את החוט האחראי על העלאת חלון הנהג (אצלי הוא כחול) נחתוך באמצע ונחשוף את שתי הקצוות שלו. את הקצה שמגיע מהקונקטור נחבר לחוט הצהוב שבמנגנון. את הקצה השני נחבר לחוט הצהוב-ירוק (נמצא מאחוריו) שבמנגנון.

את החוט האחראי על העלאת חלון הנוסע (חום אצלי) נחתוך באמצע ונחשוף את שתי הקצוות שלו. את הקצה שמגיע מהקונקטור נחבר לחוט הלבן שבמנגנון. את הקצה השני נחבר לחוט הלבן-צהוב (נמצא מאחוריו) שבמנגנון.

לבעלי 4 חלונות חשמליים:
את החוט האחראי על העלאת חלון נוסע שמאלי (שמאחורי הנהג) נחתוך באמצע ונחשוף את שתי הקצוות שלו. את הקצה שמגיע מהקונקטור נחבר לחוט האדום שבמנגנון. את הקצה השני נחבר לחוט האדום-שחור (נמצא מאחוריו) שבמנגנון.
את החוט האחראי על העלאת חלון נוסע ימני נחתוך באמצע ונחשוף את שתי הקצוות שלו. את הקצה שמגיע מהקונקטור נחבר לחוט הכחול שבמנגנון. את הקצה השני נחבר לחוט הירוק (נמצא מאחוריו) שבמנגנון.

את החוט האדום (מעביר מתח בפתיחת סוויץ') נחשוף ונחבר אליו את החוט החום שבמנגנון.

את החוט השחור (הארקה, מינוס) נחשוף ונחבר אליו את החוט השחור שבמנגנון. שימו לב שבמנגנון יש 2 חוטים שחורים ואתם צריכים להשתמש בארוך מביניהם (השני קצר ויש לו נעל כבל בקצה, נגיע אליו בהמשך).

שאר החוטים שבקונקטור הפיקוד נשארים ללא שינוי. נעבור לחוטים שנשארו במנגנון הנעילה שלנו.
יש שלושה חוטים שהם קצרים יותר מהשאר, עם נעלי כבל בקצה:


לחוט האדום-שחור צריך לחבר או את החוט האדום, או את החוט השחור בהתאם לחוט הנעילה שלנו (אותו בדקנו בהתחלה). אם הזרם שעבר בחוט הנעילה שלנו הוא פלוס, נחבר אליו את החוט האדום. אחרת, כלומר הזרם שעבר בחוט הנעילה שלנו הוא מינוס, נחבר את החוט השחור. במקרה שלי חוט הנעילה כמו שאמרנו הוא פלוס ולכן חיברתי את החוט האדום כמו שרואים בתמונה:

שימו לב לשים את הבידוד על נעלי הכבל המחוברים וגם לבודד את החוט שלא השתמשתם בו (שחור במקרה שלי). שלא יהיו חוטי חשמל חשופים.

החוט האחרון הוא חוט החשמל של המנגנון, וזהו החוט האדום הארוך עם הפיוז עליו. את החוט הזה אנחנו אמורים להשחיל דרך הצינור המקשר שבדלת אל חיבור הפלוס שנמצא ליד קופסת הפיוזים, מעל הדוושות. לכן נצטרך להאריך את החוט הזה עם חוט רב גידי שקנינו מראש ולהשחיל אותו דרך צינור היציאה מהדלת. את כבל הפלוס שנמצא ליד קופסת הפיוזים ננתק, נחשוף מעט (אפשר בעדינות ובסבלנות עם סכין יפנית) ונחבר לחלק החשוף את החוט שהארכנו. כשנסיים נחבר אותו חזרה.

סיימנו! אפשר לבדוק שכל החלונות עובדים (הורדה והרמה), ולנעול את הרכב כשכל החלונות פתוחים. עכשיו החיים יפים יותר 🙂

נכתב ע"י ארז אהרון